
Bồn cầu Sanfi S308 - Bồn cầu một khối nắp rơi êm
Bàn cầu Sanfi S308 thuộc dòng sản phẩm bồn cầu một khối sở hữu thiết kế hiện đại, mang phong cách tối giản và trang nhã. Sản phẩm nổi bật với những đường cong mềm mại và tinh tế, nhưng vẫn mang lại cảm giác chắc chắn và bền vững.
Không chỉ vậy với thiết kế nguyên khối nhỏ gọn, bồn cầu Sanfi S308 có thể lắp đặt cho nhiều diện tích không gian nhà tắm. Thiết kế liền khối còn giúp người dùng vệ sinh dễ dàng hơn, giúp giảm thiểu thời gian và công sức.

Được sản xuất trên dây chuyền công nghệ hiện đại đạt tiêu chuẩn Châu Âu, bồn cầu 1 khối Sanfi S308 sở hữu những cải tiến ưu việt mang lại sự hài lòng cho người sử dụng.
Ứng dụng công nghệ men Nano Titan độc quyền của Viglacera, bề mặt bệt liền khối Sanfi S308 được phủ lớp men phủ bạc vừa có khả năng kháng khuẩn, vừa có khả năng chống thấm, chống bám dính và tự làm sạch hiệu quả. Đặc biệt, công nghệ này giúp kháng khuẩn lên đến 89% (được kiểm định bởi Viện Pasteur).

Bồn cầu Sanfi S308 trang bị công nghệ xả Turbo Vortex mạnh mẽ, nhanh chóng và triệt để mà vẫn hạn chế tiếng ồn. Lực xả đến từ 3 yếu tố tác động:
- Hệ thống cửa xả tạo lốc xoáy trong lòng bàn cầu.
- Tia đẩy jet đẩy chất thải ra ngoài.
- Hiệu ứng xi phông hút xoáy sạch cả những chất bẩn nhẹ lơ lửng.

Bên cạnh đó kiểu xả nhấn tiết kiệm nước với 2 dung tích nước xả là 3L và 6L, người dùng có thể lựa chọn mức nước xả phù hợp tùy theo nhu cầu.
Bồn cầu kết hợp với nắp ngồi rơi êm, không gây tiếng ồn, tăng độ bền của sản phẩm, được làm bằng nhựa PP kháng khuẩn không màu và không mùi.

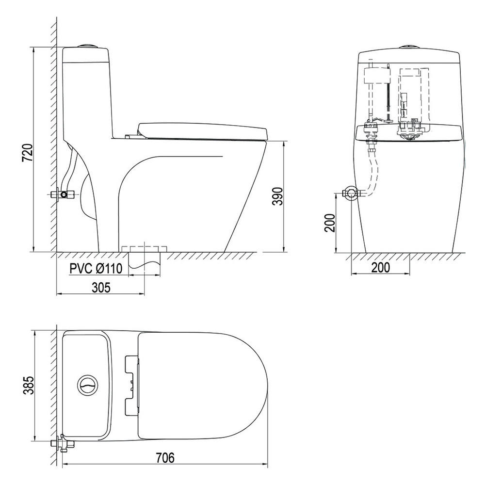
Bản vẽ kỹ thuật của bàn cầu 1 khối Sanfi S308


Sanfi - Một nhãn hiệu của Viglacera
Thiết bị vệ sinh Sanfi là một nhãn hiệu của Viglacera hướng tới phân khúc khách hàng trẻ với giá thành hợp lý.
Kế thừa bề dày kinh nghiệm từ thương hiệu mẹ Viglacera, dòng sản phẩm Sanfi được đầu tư trang thiết bị hiện đại, dây chuyền sản xuất nhập khẩu đồng bộ từ Italy, cùng đội ngũ kỹ thuật lành nghề sẽ mang đến cho người sử dụng trải nghiệm tốt nhất với những sản phẩm có chất lượng cao.

Với định hướng phát triển mới cùng mục tiêu tái định vị hình ảnh trên thị trường, Sanfi muốn lan truyền tới người dùng thông điệp về "Cảm hứng cho thế hệ trẻ". Sanfi cung cấp giải pháp toàn diện cho phòng tắm, tạo ra những không gian khơi nguồn cảm hứng.
Cường Quốc - Đại lý phân phối thiết bi vệ sinh và sen vòi Sanfi chính hãng
Mua bồn cầu 1 khối Sanfi S308 nắp êm hãy đến với showroom Cường Quốc để sở hữu với giá thành hấp dẫn và tối ưu nhất. Showroom Cường Quốc phân phối và cung cấp các sản phẩm thiết bị vệ sinh, sen vòi Sanfi chính hãng, đảm bảo nguồn gốc xuất xứ rõ ràng, bảo hành theo chính sách của hãng cho người sử dụng. Liên hệ ngay hotline 1900 561 279 để được hỗ trợ.
Khách hàng đánh giá, nhận xét
0/5
0 đánh giá & nhận xétBạn đã dùng sản phẩm này?
Gửi đánh giá của bạnHỏi và đáp (0 bình luận)