
Đặc điểm nổi bật của chậu rửa mặt đặt bàn TOTO LT4715G19#MW - Chậu vành mỏng Linear Ceram
Chậu rửa mặt LT4715G19#MW là một sản phẩm đột phá trong thiết kế và công nghệ của thương hiệu thiết bị vệ sinh cao cấp TOTO đến từ Nhật Bản. Với thiết kế hiện đại, tinh tế cùng công nghệ tiên tiến, sản phẩm này không chỉ đáp ứng nhu cầu sử dụng hàng ngày mà còn góp phần tôn lên vẻ đẹp sang trọng cho không gian phòng tắm.
Điểm nổi bật nhất của chậu lavabo TOTO LT4715G19#MW chính là việc ứng dụng công nghệ Linear Ceram – một thành tựu công nghệ độc quyền của TOTO. Công nghệ này cho phép tạo nên lớp sứ mỏng chỉ 4 mm ở vành chậu mà vẫn đảm bảo được độ bền vượt trội, khả năng chịu lực và chống nứt vỡ tốt hơn so với các loại sứ thông thường.
Nhờ đó, chậu sở hữu kiểu dáng thanh thoát, nhẹ nhàng nhưng vẫn vô cùng chắc chắn, giúp tối ưu không gian sử dụng mà không ảnh hưởng đến hiệu năng.

Được thiết kế đặt dương bàn dễ lắp đặt và thay thế, chậu rửa TOTO LT4715G19#MW sở hữu kiểu dáng hình chữ nhật với các góc bo nhẹ tạo cảm giác mềm mại, hài hòa với nhiều phong cách nội thất phòng tắm khác nhau, từ tối giản, hiện đại đến sang trọng. Đây là lựa chọn lý tưởng cho những ai yêu thích sự tinh tế, gọn gàng nhưng vẫn đầy cá tính trong không gian sống.
Một điểm đáng chú ý khác của mẫu chậu này chính là gam màu trắng mờ. Màu sắc này không chỉ tạo cảm giác sạch sẽ, mà còn mang lại vẻ đẹp thanh lịch và sang trọng. Bề mặt chậu còn được xử lý kỹ lưỡng, chống trầy xước, hạn chế bám bẩn giúp dễ dàng lau chùi, tiết kiệm thời gian và công sức trong việc vệ sinh hàng ngày.
Ngoài ra, chậu rửa đặt bàn TOTO LT4715G19#MW còn có kích thước tiêu chuẩn phù hợp với đa số không gian phòng tắm hiện nay. Đồng thời được thiết kế tương thích với các dòng vòi nước và phụ kiện khác của TOTO, tạo nên sự đồng bộ và thuận tiện khi lắp đặt.

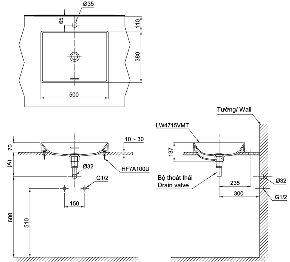
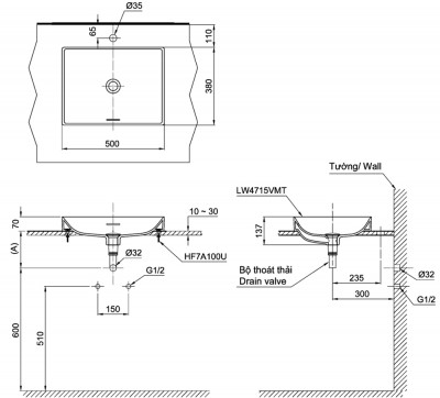
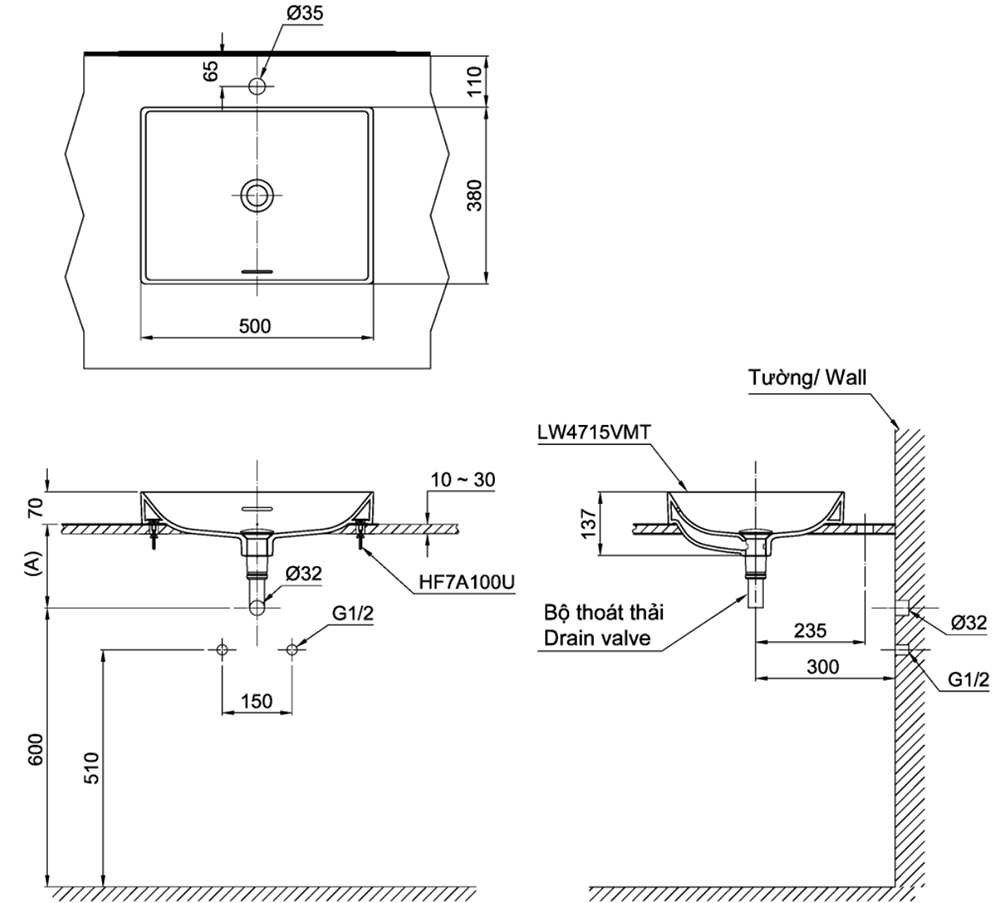
Bản vẽ kỹ thuật chậu rửa đặt bàn TOTO LT4715G19#MW
Đại lý ủy quyền chính hãng của TOTO tại khu vực Hà Đông
Showroom Cường Quốc tự hào là đại lý phân phối ủy quyền chính hãng tại Hà Đông của thương hiệu TOTO – một trong những thương hiệu hàng đầu thế giới trong lĩnh vực thiết bị vệ sinh đến từ Nhật Bản. Nổi tiếng với công nghệ tiên tiến, thiết kế tinh tế và tính năng thông minh, thiết bị vệ sinh TOTO mang lại trải nghiệm hoàn hảo cho người dùng.
Nằm tại đường Lê Trọng Tấn - Hà Đông - Hà Nội, showroom TOTO Cường Quốc mang đến không gian trưng bày hiện đại và sang trọng, giúp khách hàng dễ dàng trải nghiệm các sản phẩm thực tế trước khi đưa ra lựa chọn.


Với sứ mệnh mang đến cho khách hàng những sản phẩm chất lượng cao và dịch vụ vượt trội, chúng tôi cam kết cung cấp đầy đủ các dòng sản phẩm chính hãng từ TOTO bao gồm bồn cầu, chậu lavabo, vòi sen, bồn tắm... Bên cạnh đó là chế độ bảo hành đầy đủ, giá cả cạnh tranh cùng nhiều chương trình ưu đãi hấp dẫn.
Đến với showroom Lê Trọng Tấn, khách hàng không chỉ sở hữu những sản phẩm đẳng cấp từ TOTO mà còn nhận được sự phục vụ chuyên nghiệp và đáng tin cậy, khẳng định giá trị và uy tín của một đại lý phân phối ủy quyền chính hãng tại khu vực.


Showroom TOTO Cường Quốc tại Lê Trọng Tấn - Hà Đông
Khách hàng đánh giá, nhận xét
0/5
0 đánh giá & nhận xétBạn đã dùng sản phẩm này?
Gửi đánh giá của bạnHỏi và đáp (0 bình luận)