
Ưu điểm nổi bật của chậu rửa lavabo Viglacera CD12
Chậu lavabo CD12 do thương hiệu thiết bị vệ sinh Viglacera sản xuất là một trong những lựa chọn tiêu biểu dành cho các không gian phòng tắm hiện đại.
Sản phẩm thuộc dòng chậu rửa dương vành, sở hữu thiết kế nhỏ gọn, cân đối, giúp người dùng dễ dàng bố trí trên bàn đá, tủ lavabo hay các bề mặt lắp đặt khác mà không chiếm nhiều diện tích.
Nhờ kiểu dáng tối ưu, chậu rửa lavabo Viglacera CD12 không chỉ mang lại sự tiện lợi trong quá trình sử dụng mà còn góp phần tạo nên tổng thể phòng tắm gọn gàng, tinh tế và khoa học hơn.

Được chế tạo từ chất liệu sứ cao cấp, tuyển chọn kỹ lưỡng và sản xuất trên dây chuyền công nghệ hiện đại, Viglacera CD12 đảm bảo độ bền chắc vượt trội. Kết cấu sứ dày dặn giúp chậu chịu lực tốt, hạn chế nứt vỡ do va đập thông thường trong quá trình sử dụng hằng ngày.
Đặc biệt, chậu rửa dương vành CD12 là một trong những sản phẩm được ứng dụng công nghệ men ViGuard độc quyền, tiên tiến của Viglacera.
Lớp men này có khả năng ức chế và tiêu diệt vi khuẩn, nấm mốc hiệu quả, đồng thời chống bám bẩn, hạn chế ố vàng và ám mùi khó chịu. Nhờ đó, chậu rửa luôn duy trì được sự sạch sẽ, sáng bóng, giúp việc vệ sinh trở nên nhẹ nhàng và nhanh chóng hơn.


Lavabo dương vành Viglacera CD12 còn được thiết kế chú trọng đến trải nghiệm người dùng. Lòng chậu sâu và rộng là một ưu điểm lớn, giúp hạn chế tối đa tình trạng bắn nước ra ngoài trong quá trình sử dụng, giúp giữ vệ sinh cho khu vực xung quanh luôn khô ráo và sạch sẽ.
Bên cạnh đó, sản phẩm còn được trang bị lỗ thoát phụ (lỗ thoát tràn), đóng vai trò quan trọng trong việc hỗ trợ thoát nước kịp thời, chống tràn khi mực nước dâng cao.
Thiết kế này giúp lưu thông không khí, giảm áp suất bên trong đường ống xả, từ đó quá trình thoát nước diễn ra nhanh và ổn định hơn, đảm bảo dòng chảy luôn thông suốt.

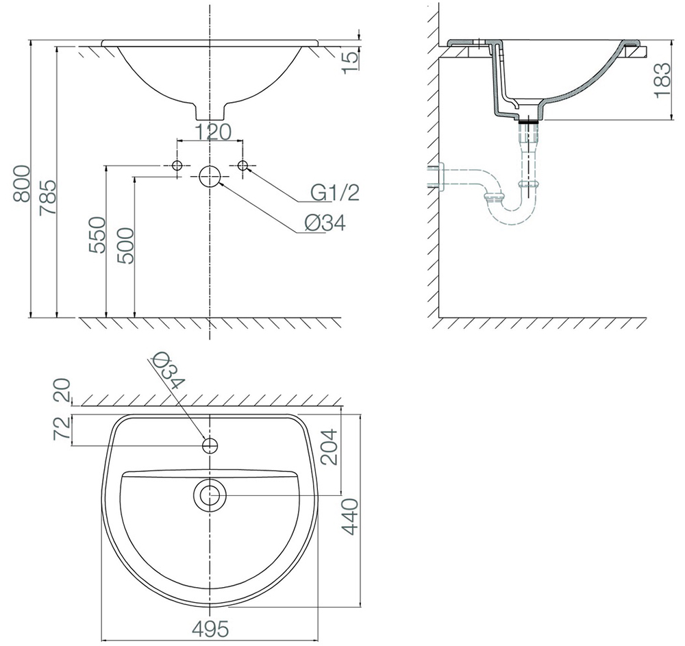
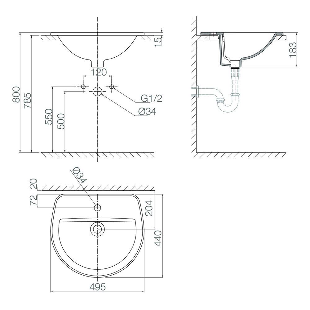
Bản vẽ kỹ thuật chậu rửa dương vành Viglacera CD12
Địa chỉ phân phối thiết bị vệ sinh Viglacera chính hãng
Để tìm kiếm các sản phẩm thiết bị vệ sinh Viglacera chính hãng, khách hàng tại Hà Nội và các tỉnh lân cận có thể tin tưởng đến với Cường Quốc. Đây là một trong những địa chỉ phân phối uy tín, chuyên cung cấp đầy đủ các mặt hàng từ bồn cầu, chậu rửa, sen vòi, đến phụ kiện phòng tắm của thương hiệu Viglacera.
Khi mua sắm tại Cường Quốc, quý khách hàng không chỉ yên tâm về chất lượng sản phẩm đạt tiêu chuẩn mà còn được hưởng mức giá cạnh tranh cùng chính sách bảo hành rõ ràng từ nhà sản xuất. Hãy liên hệ hoặc đến trực tiếp showroom Cường Quốc để được tư vấn và lựa chọn thiết bị phù hợp nhất cho không gian phòng tắm của mình.
Khách hàng đánh giá, nhận xét
0/5
0 đánh giá & nhận xétBạn đã dùng sản phẩm này?
Gửi đánh giá của bạnHỏi và đáp (0 bình luận)