
Đặc điểm nổi bật của vòi sen tắm nóng lạnh TOTO TBG04302VA/TBW01008A
Bộ vòi sen tắm TOTO TBG04302VA/TBW01008A là một lựa chọn lý tưởng dành cho những ai đang tìm kiếm sự kết hợp hoàn hảo giữa thiết kế tinh tế, độ bền vượt trội và trải nghiệm sử dụng tiện nghi trong không gian phòng tắm.
Bộ sản phẩm bao gồm hai thành phần chính là van sen tắm TBG04302VA và bát sen tay TBW01008A (TBW01008V), được thiết kế đồng bộ về kiểu dáng và chất lượng, mang lại sự hài hòa, hiện đại và sang trọng cho phòng tắm.
Một trong những ưu điểm nổi bật của bộ sen tắm TBG04302VA/TBW01008A là khả năng sử dụng linh hoạt với cả nguồn nước nóng và nước lạnh, phù hợp với nhu cầu sử dụng quanh năm của người dùng, đặc biệt là trong điều kiện khí hậu có sự chênh lệch nhiệt độ theo mùa như ở Việt Nam.

Về chất liệu, van sen tắm được làm từ chất liệu đồng với bề mặt được phủ lớp mạ Niken và Crom sáng bóng. Lớp mạ này không chỉ mang lại vẻ đẹp hiện đại, sang trọng mà còn có khả năng chống ăn mòn, chống oxi hóa, chống bám bẩn và dễ dàng vệ sinh sau thời gian dài sử dụng.
Bên cạnh đó, công nghệ tay gạt siêu êm được ứng dụng trong van sen tắm giúp thao tác đóng/mở nước trở nên mượt mà và trơn tru, tăng trải nghiệm thoải mái cho người dùng. Đặc biệt, bộ phận đĩa sứ bên trong lõi van được bao phủ bởi một lớp DLC đặc biệt giúp chống mài mòn và hạn chế tối đa hiện tượng rò rỉ nước trong quá trình sử dụng.

Không chỉ vậy, bát sen tay của sen tắm TOTO TBG04302VA/TBW01008A cũng là một điểm nhấn ấn tượng của bộ sản phẩm. Được tích hợp công nghệ massage êm dịu Comfort Wave giúp tạo ra những tia nước mạnh kết hợp lực phun nhịp nhàng với hạt nước có kích thước lớn, mang lại trải nghiệm tắm đầy sảng khoái, biến mỗi lần tắm thành một khoảng thời gian thư giãn đúng nghĩa. Mặt khác, bát sen tay sở hữu thiết kế nhỏ gọn, cầm nắm vừa tay, phù hợp với mọi đối tượng sử dụng từ trẻ em đến người lớn tuổi.

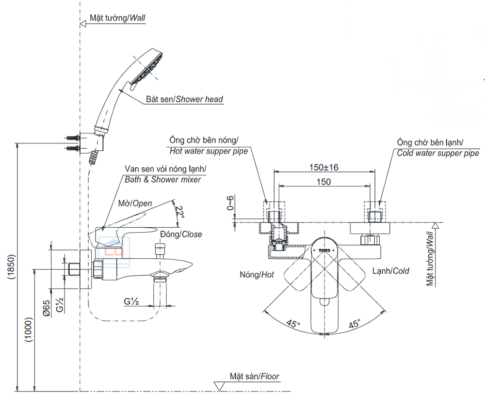
Bản vẽ kỹ thuật sen tắm TOTO TBG04302VA/TBW01008A
Đại lý ủy quyền chính hãng của TOTO tại khu vực Hà Đông
Showroom Cường Quốc tự hào là đại lý phân phối ủy quyền chính hãng tại Hà Đông của thương hiệu TOTO – một trong những thương hiệu hàng đầu thế giới trong lĩnh vực thiết bị vệ sinh đến từ Nhật Bản. Nổi tiếng với công nghệ tiên tiến, thiết kế tinh tế và tính năng thông minh, thiết bị vệ sinh TOTO mang lại trải nghiệm hoàn hảo cho người dùng.
Nằm tại đường Lê Trọng Tấn - Hà Đông - Hà Nội, showroom TOTO Cường Quốc mang đến không gian trưng bày hiện đại và sang trọng, giúp khách hàng dễ dàng trải nghiệm các sản phẩm thực tế trước khi đưa ra lựa chọn.

Với sứ mệnh mang đến cho khách hàng những sản phẩm chất lượng cao và dịch vụ vượt trội, chúng tôi cam kết cung cấp đầy đủ các dòng sản phẩm chính hãng từ TOTO bao gồm bồn cầu, chậu lavabo, vòi sen, bồn tắm... Bên cạnh đó là chế độ bảo hành đầy đủ, giá cả cạnh tranh cùng nhiều chương trình ưu đãi hấp dẫn.
Đến với showroom Lê Trọng Tấn, khách hàng không chỉ sở hữu những sản phẩm đẳng cấp từ TOTO mà còn nhận được sự phục vụ chuyên nghiệp và đáng tin cậy, khẳng định giá trị và uy tín của một đại lý phân phối ủy quyền chính hãng tại khu vực.


Showroom TOTO Cường Quốc tại Lê Trọng Tấn - Hà Đông
Khách hàng đánh giá, nhận xét
0/5
0 đánh giá & nhận xétBạn đã dùng sản phẩm này?
Gửi đánh giá của bạnHỏi và đáp (0 bình luận)