
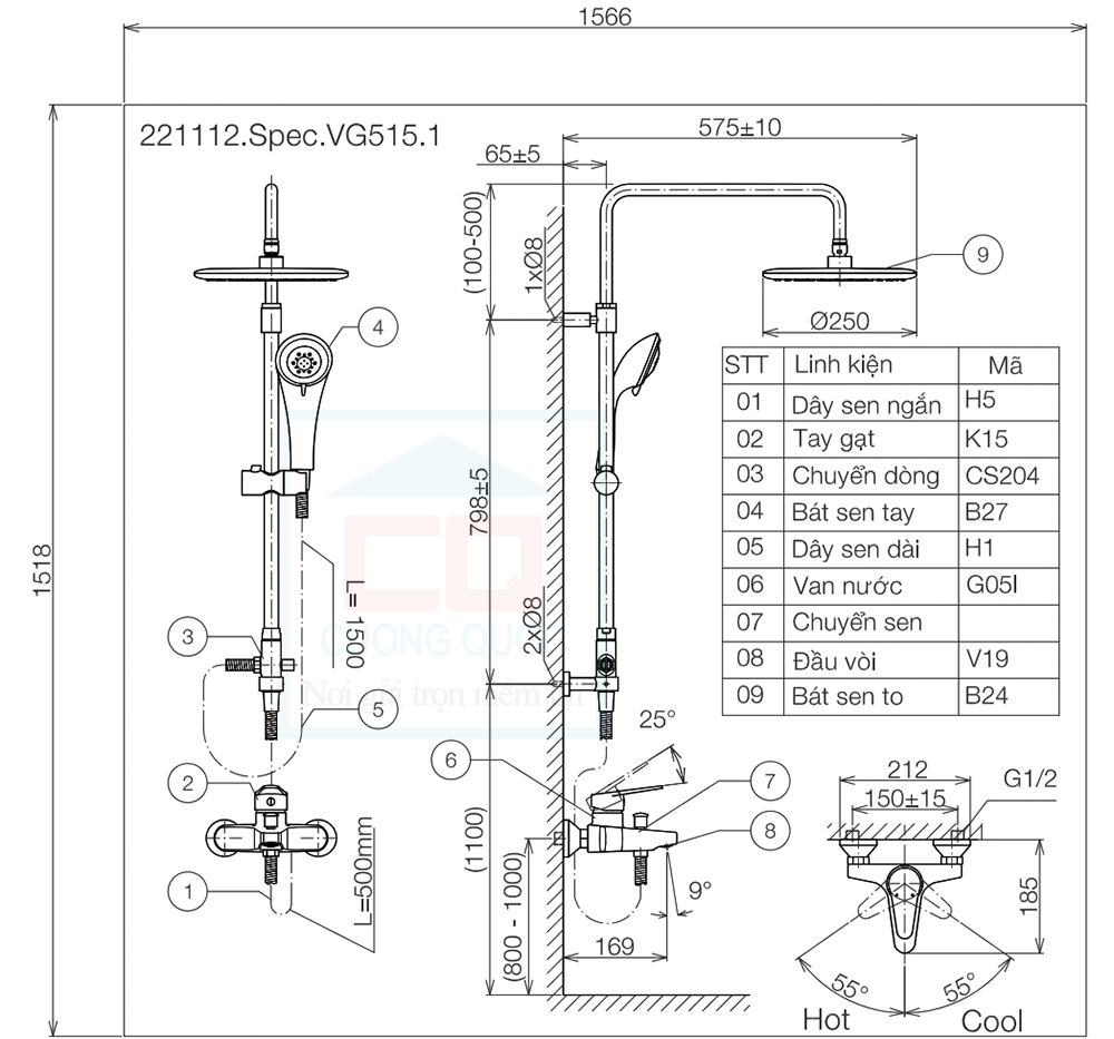
Đặc điểm nổi bật của sen tắm cây ghép Viglacera VG515.1 - Sen tắm nóng lạnh có vòi
Sen tắm không chỉ đơn giản là thiết bị vệ sinh mang đến trải nghiệm tắm tuyệt vời giúp bạn tận hưởng cuộc sống tiện nghi và hiện đại, mà còn là điểm nhấn trang trí cho không gian phòng tắm thêm đẳng cấp và tinh tế.
Trong đó, dòng sản phẩm sen tắm của thương hiệu Viglacera với hơn 50 năm hình thành và phát triển được người tiêu dùng Việt ưa chuộng và tin dùng. Là sự kết hợp hoàn hảo giữa thiết kế mang phong cách Châu Âu và công nghệ hiện đại, các sản phẩm sen tắm của Viglacera giúp bạn tận hưởng những phút giây thư giãn tuyệt vời sau một ngày làm việc mệt mỏi.

Một trong những sản phẩm sen tắm tiêu biểu của Viglacera có thể nhắc đến VG515.1. Đây là mẫu sen tắm cây ghép có vòi sở hữu nhiều ưu điểm vượt trội, không chỉ đáp ứng nhu cầu sử dụng hàng ngày mà còn mang đến trải nghiệm tắm thoải mái và tiện nghi.
Với thiết kế hiện đại cùng các đường nét tinh tế và hài hòa, sen tắm Viglacera VG515.1 tạo nên vẻ đẹp sang trọng, phù hợp với nhiều không gian phòng tắm khác nhau.
Về chất lượng, được sản xuất trên dây chuyền công nghệ tiên tiến của Italia với nguồn linh kiện nhập khẩu từ Đức, sản phẩm này không chỉ đạt tiêu chuẩn chất lượng trong nước mà còn đạt tiêu chuẩn Châu Âu.

Một trong những điểm nổi bật của sen cây Viglacera VG515.1 là tính năng tắm nóng lạnh. Với hai đường nước nóng và nước lạnh tiện lợi, người dùng có thể dễ dàng điều chỉnh nhiệt độ nước phù hợp với nhu cầu sử dụng.
Bộ chia nước của sen tắm này được cấu tạo với mặt trượt bằng gốm ceramic siêu bền, chống rò rỉ nước với độ bền sử dụng trên 10 năm, tương ứng với 500.000 lần đóng mở. Cùng với các chi tiết gioăng cao su có tính đàn hồi tốt, chịu mài mòn và chịu được nhiệt độ lên đến 90 độ C.
Bên cạnh đó, đầu vòi xả bồn của sen ghép nóng lạnh Viglacera VG515.1 được làm bằng chất liệu nhựa cao cấp chịu được nhiệt độ lên đến 140 độ C trong thời gian dài. Đặc biệt, đầu vòi có kết cấu dạng tổ ong giúp ổn định lưu lượng, tạo ra dòng nước êm ái, tạo bọt, giảm tiếng ồn khi sử dụng và tiết kiệm nước.

Ngoài ra, sen tắm VG515.1 được làm từ chất liệu đồng thau cao cấp, có độ bền cao và khả năng chống ăn mòn hiệu quả. Bề mặt sen tắm còn được mạ Niken và Crom sáng bóng, không chỉ tạo nên vẻ đẹp thẩm mỹ mà còn giúp bảo vệ sản phẩm khỏi các tác động của môi trường, góp phần kéo dài tuổi thọ.
Điểm nổi bật khác của sen tắm nóng lạnh VG515.1 chính là tay sen hay còn gọi bát sen cầm tay thiết kế với 3 chế độ phun nước khác nhau, giúp bạn thoải mái lựa chọn loại tia nước phù hợp với sở thích và nhu cầu sử dụng. Từ những tia nước mạnh mẽ, giúp massage cơ thể thư giãn, đến những tia nước nhẹ nhàng, mang đến cảm giác dịu nhẹ, sản phẩm đều đáp ứng được.

Bản vẽ kỹ thuật sen tắm cây ghép nóng lạnh Viglacera VG515.1
Khách hàng đánh giá, nhận xét
0/5
0 đánh giá & nhận xétBạn đã dùng sản phẩm này?
Gửi đánh giá của bạnHỏi và đáp (0 bình luận)