
Đặc điểm nổi bật của van xả tiểu nam cảm ứng âm tường TOTO DUE126UKA
DUE126UKA là mẫu van xả được sử dụng cho bồn tiểu TOTO sở hữu thiết kế hiện đại và sang trọng, được tích hợp công nghệ tiên tiến, mang lại sự tiện nghi tối đa cho người sử dụng. Được thiết kế âm tường, sản phẩm không chỉ giúp tiết kiệm không gian mà còn tạo cảm giác tinh tế, gọn gàng trong nhà vệ sinh, đặc biệt phù hợp với các công trình cao cấp như khách sạn, trung tâm thương mại, nhà hàng hay văn phòng làm việc hiện đại.
Sản phẩm sử dụng công nghệ cảm ứng tự động, giúp việc xả nước diễn ra một cách hoàn toàn tự động, không cần chạm tay, đảm bảo vệ sinh và tiện lợi. Với phạm vi cảm ứng lên đến 800mm, van xả DUE126UKA có khả năng nhận diện chính xác người sử dụng và tự động xả sau khi rời khỏi khu vực cảm ứng. Điều này không chỉ giúp tiết kiệm thời gian mà còn góp phần nâng cao tính thẩm mỹ và trải nghiệm người dùng.
Đặc biệt, van xả cảm ứng TOTO DUE126UKA được trang bị chức năng bảo vệ hẹn giờ, nếu không xả trong vòng 24 giờ thì sản phẩm sẽ tự động xả sạch 1 lần.

Sản phẩm vận hành bằng pin, mang đến sự tiện lợi và tiết kiệm năng lượng, đảm bảo khả năng hoạt động ổn định. Bên cạnh đó, van xả còn được thiết kế với lượng nước xả chỉ 0.5L cho mỗi lần sử dụng, giúp tiết kiệm nước tối đa mà vẫn đảm bảo hiệu quả vệ sinh cao.
Với chất liệu bằng nhựa và thép không gỉ, mặt ngoài được xử lý tinh xảo, van xả tiểu TOTO DUE126UKA không những bền bỉ theo thời gian mà còn dễ dàng vệ sinh và bảo trì. Đây thực sự là lựa chọn hoàn hảo cho những ai đang tìm kiếm sự kết hợp giữa công nghệ, hiệu suất và thẩm mỹ trong không gian vệ sinh hiện đại.


Ảnh thực tế van xả cảm ứng tiểu nam TOTO DUE126UKA

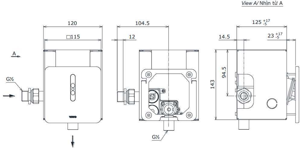
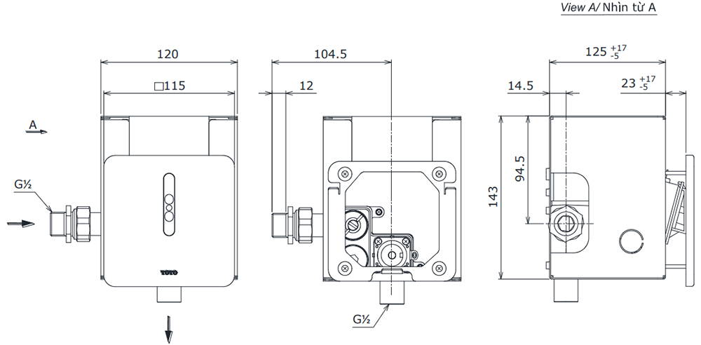
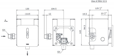
Bản vẽ kỹ thuật van xả cảm ứng âm tường TOTO DUE126UKA
Lưu ý: Sản phẩm chưa bao gồm ống nối
Đại lý ủy quyền chính hãng của TOTO tại khu vực Hà Đông
Showroom Cường Quốc tự hào là đại lý phân phối ủy quyền chính hãng tại Hà Đông của thương hiệu TOTO – một trong những thương hiệu hàng đầu thế giới trong lĩnh vực thiết bị vệ sinh đến từ Nhật Bản. Nổi tiếng với công nghệ tiên tiến, thiết kế tinh tế và tính năng thông minh, thiết bị vệ sinh TOTO mang lại trải nghiệm hoàn hảo cho người dùng.
Nằm tại đường Lê Trọng Tấn - Hà Đông - Hà Nội, showroom TOTO Cường Quốc mang đến không gian trưng bày hiện đại và sang trọng, giúp khách hàng dễ dàng trải nghiệm các sản phẩm thực tế trước khi đưa ra lựa chọn.


Với sứ mệnh mang đến cho khách hàng những sản phẩm chất lượng cao và dịch vụ vượt trội, chúng tôi cam kết cung cấp đầy đủ các dòng sản phẩm chính hãng từ TOTO bao gồm bồn cầu, chậu lavabo, vòi sen, bồn tắm... Bên cạnh đó là chế độ bảo hành đầy đủ, giá cả cạnh tranh cùng nhiều chương trình ưu đãi hấp dẫn.
Đến với showroom Lê Trọng Tấn, khách hàng không chỉ sở hữu những sản phẩm đẳng cấp từ TOTO mà còn nhận được sự phục vụ chuyên nghiệp và đáng tin cậy, khẳng định giá trị và uy tín của một đại lý phân phối ủy quyền chính hãng tại khu vực.


Showroom TOTO Cường Quốc tại Lê Trọng Tấn - Hà Đông
Khách hàng đánh giá, nhận xét
0/5
0 đánh giá & nhận xétBạn đã dùng sản phẩm này?
Gửi đánh giá của bạnHỏi và đáp (0 bình luận)