
Đặc điểm nổi bật của vòi chậu lavabo TOTO TLS02301V - Vòi chậu gật gù nóng lạnh LN
TOTO TLS02301V thuộc bộ sưu tập LN là một trong những lựa chọn hàng đầu cho vòi chậu lavabo nóng lạnh, nổi bật với sự kết hợp hoàn hảo giữa thiết kế hiện đại, công nghệ tiên tiến và chất lượng vượt trội. Sản phẩm này không chỉ đáp ứng nhu cầu sử dụng cơ bản mà còn nâng tầm không gian phòng tắm, mang đến trải nghiệm tiện nghi và đẳng cấp cho người dùng.
Về thiết kế, vòi lavabo TOTO TLS02301V sở hữu đường nét tối giản nhưng không kém phần tinh tế. Thân vòi được thiết kế tròn mềm mại, kết hợp với tay gạt mượt mà, tạo nên sự hài hòa và sang trọng. Kích thước và tỷ lệ của vòi cũng được tính toán kỹ lưỡng, đảm bảo sự cân đối khi lắp đặt sử dụng.

Vòi chậu lavabo TOTO TLS02301V được cấu tạo từ chất liệu đồng đạt chuẩn an toàn sức khỏe, không chứa chất độc hại, thân thiện với người dùng và môi trường. TOTO cũng áp dụng quy trình kiểm tra nghiêm ngặt trong từng khâu sản xuất để đảm bảo chất lượng tối ưu trước khi đến tay người tiêu dùng.
Lớp hoàn thiện bên ngoài của sản phẩm được phủ lớp mạ Niken và Crom sáng bóng, giúp tăng tính thẩm mỹ cũng như khả năng chống oxy hóa, chống bám bẩn hiệu quả. Trong đó, lớp mạ Niken của vòi có độ dày gấp 3 lần so với các sản phẩm thông thường trên thị trường, nhờ đó khả năng chống ăn mòn được nâng cao rõ rệt, giúp vòi luôn bền đẹp theo thời gian dù phải tiếp xúc thường xuyên với nước.
Ngoài ra, vòi chậu nóng lạnh TLS02301V trang bị van đĩa bằng sứ cao cấp được bao phủ một lớp DLC đặc biệt mang lại hiệu quả sử dụng lâu dài, góp phần nâng cao tuổi thọ cho sản phẩm.

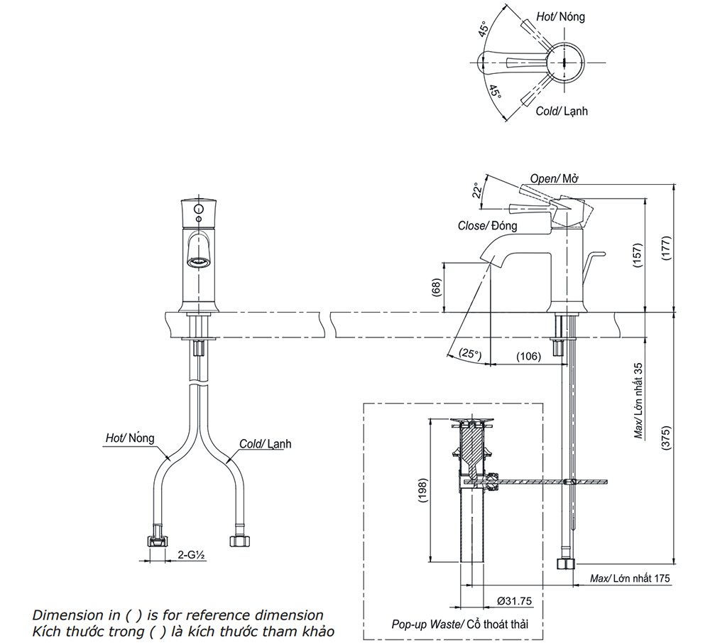
Bản vẽ kỹ thuật vòi chậu lavabo TOTO TLS02301V
Đại lý ủy quyền chính hãng của TOTO tại khu vực Hà Đông
Showroom Cường Quốc tự hào là đại lý phân phối ủy quyền chính hãng tại Hà Đông của thương hiệu TOTO – một trong những thương hiệu hàng đầu thế giới trong lĩnh vực thiết bị vệ sinh đến từ Nhật Bản. Nổi tiếng với công nghệ tiên tiến, thiết kế tinh tế và tính năng thông minh, thiết bị vệ sinh TOTO mang lại trải nghiệm hoàn hảo cho người dùng.
Nằm tại đường Lê Trọng Tấn - Hà Đông - Hà Nội, showroom TOTO Cường Quốc mang đến không gian trưng bày hiện đại và sang trọng, giúp khách hàng dễ dàng trải nghiệm các sản phẩm thực tế trước khi đưa ra lựa chọn.


Với sứ mệnh mang đến cho khách hàng những sản phẩm chất lượng cao và dịch vụ vượt trội, chúng tôi cam kết cung cấp đầy đủ các dòng sản phẩm chính hãng từ TOTO bao gồm bồn cầu, chậu lavabo, vòi sen, bồn tắm... Bên cạnh đó là chế độ bảo hành đầy đủ, giá cả cạnh tranh cùng nhiều chương trình ưu đãi hấp dẫn.
Đến với showroom Lê Trọng Tấn, khách hàng không chỉ sở hữu những sản phẩm đẳng cấp từ TOTO mà còn nhận được sự phục vụ chuyên nghiệp và đáng tin cậy, khẳng định giá trị và uy tín của một đại lý phân phối ủy quyền chính hãng tại khu vực.


Showroom TOTO Cường Quốc tại Lê Trọng Tấn - Hà Đông
Khách hàng đánh giá, nhận xét
0/5
0 đánh giá & nhận xétBạn đã dùng sản phẩm này?
Gửi đánh giá của bạnHỏi và đáp (0 bình luận)