
Đặc điểm nổi bật của van sen vòi nóng lạnh TOTO TBG01302VA - Dòng sản phẩm GO
Là mẫu van sen vòi nóng lạnh thuộc bộ sưu tập GO của thương hiệu TOTO, TBG01302VA gây ấn tượng với đường nét mềm mại cùng thiết kế hiện đại và sự hòa quyện giữa vẻ đẹp tối giản kết hợp chức năng tối ưu.
Một trong những yếu tố quan trọng làm nên chất lượng của vòi sen tắm TOTO TBG01302VA chính là chất liệu. Được làm từ đồng cao cấp có khả năng chống ăn mòn tốt và chịu được áp lực nước lớn, cũng như có tính dẫn nhiệt tốt giúp sản phẩm hoạt động hiệu quả, an toàn và có độ bền dài lâu.
Điểm nổi bật khác của van sen TOTO TBG01302VA chính là được mạ lớp Niken dày gấp 3 lần so với sản phẩm thông thường giúp chống mài mòn cao. Điều này đảm bảo vòi sen giữ được vẻ đẹp nguyên bản theo thời gian, ngay cả trong môi trường phòng tắm có độ ẩm cao.



Ảnh thực tế van sen vòi nóng lạnh TOTO TBG01302VA
Van sen vòi GO TBG01302VA còn được trang bị công nghệ độc quyền tay gạt siêu êm, đem lại sự tiện lợi và thoải mái trong suốt thời gian dài sử dụng. Không những vậy, người dùng có thể dễ dàng điều chỉnh lượng nước và nhiệt độ nước theo ý muốn chỉ với một thao tác nhẹ nhàng trên tay gạt.
Ngoài ra, sản phẩm này còn có thể kết hợp với nhiều bát sen cùng thương hiệu như TBW01008A, TBW02005A, TBW01010A, DGH104ZR, DGH108ZR... để tạo ra những bộ sen tắm hoàn chỉnh không chỉ đẹp mắt mà còn sở hữu tính năng vượt trội.

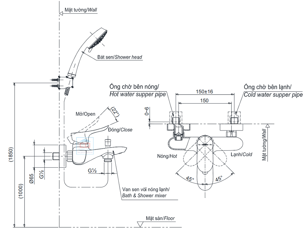
Bản vẽ kỹ thuật van sen tắm nóng lạnh TOTO TBG01302VA
Đại lý ủy quyền chính hãng của TOTO tại khu vực Hà Đông
Showroom Cường Quốc tự hào là đại lý phân phối ủy quyền chính hãng tại Hà Đông của thương hiệu TOTO – một trong những thương hiệu hàng đầu thế giới trong lĩnh vực thiết bị vệ sinh đến từ Nhật Bản. Nổi tiếng với công nghệ tiên tiến, thiết kế tinh tế và tính năng thông minh, thiết bị vệ sinh TOTO mang lại trải nghiệm hoàn hảo cho người dùng.
Nằm tại đường Lê Trọng Tấn - Hà Đông - Hà Nội, showroom TOTO Cường Quốc mang đến không gian trưng bày hiện đại và sang trọng, giúp khách hàng dễ dàng trải nghiệm các sản phẩm thực tế trước khi đưa ra lựa chọn.


Với sứ mệnh mang đến cho khách hàng những sản phẩm chất lượng cao và dịch vụ vượt trội, chúng tôi cam kết cung cấp đầy đủ các dòng sản phẩm chính hãng từ TOTO bao gồm bồn cầu, chậu lavabo, vòi sen, bồn tắm... Bên cạnh đó là chế độ bảo hành đầy đủ, giá cả cạnh tranh cùng nhiều chương trình ưu đãi hấp dẫn.
Đến với showroom Lê Trọng Tấn, khách hàng không chỉ sở hữu những sản phẩm đẳng cấp từ TOTO mà còn nhận được sự phục vụ chuyên nghiệp và đáng tin cậy, khẳng định giá trị và uy tín của một đại lý phân phối ủy quyền chính hãng tại khu vực.


Showroom TOTO Cường Quốc tại Lê Trọng Tấn - Hà Đông
Khách hàng đánh giá, nhận xét
0/5
0 đánh giá & nhận xétBạn đã dùng sản phẩm này?
Gửi đánh giá của bạnHỏi và đáp (0 bình luận)